Fist Grip Clip
Fist Grip Clip - 3/16"-1/4 is backordered and will ship as soon as it is back in stock.
Couldn't load pickup availability
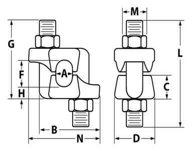
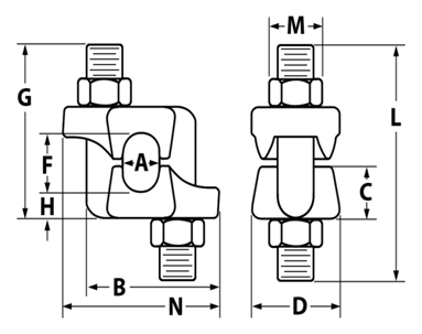
| Size | C | D | THRD | G | E | MIN CLIPS | TURN BACK AMOUNT | TORQUE(FT.LBS) | WEIGHT(EA) |
| 3/16"-1/4" | 0.4 | 0.94 | 3/8"-16 | 1.41 | 1.44 | 2 | 4 | 30 | 0.21 |
| 5/16" | 0.47 | 1.06 | 3/8"-16 | 1.5 | 1.54 | 2 | 5 | 30 | 0.28 |
| 3/8" | 0.51 | 1.06 | 7/16"14 | 1.84 | 1.78 | 2 | 5.25 | 45 | 0.38 |
| 7/16"-1/2" | 0.59 | 1.25 | 1/2"-13 | 2.21 | 2.15 | 3 | 11 | 65 | 0.63 |
| 9/16"-5/8" | 0.72 | 1.5 | 5/8"-11 | 2.72 | 2.57 | 3 | 13.5 | 130 | 1.15 |
| 3/4" | 0.86 | 1.81 | 3/4"-10 | 2.94 | 2.67 | 3 | 16 | 225 | 1.8 |
| 7/8" | 0.97 | 2.12 | 3/4"10 | 3.31 | 2.86 | 4 | 26 | 225 | 2.3 |
| 1" | 1.13 | 2.25 | 3/4"10 | 3.72 | 3.06 | 5 | 37 | 225 | 2.75 |
* Based on clean, unlubricated threads. The table above shows the minimum torque required to reach maximum holding
power of wire rope clips.
Meets the performance requirements of Federal Specification FF-C-450, current revision, Type 3, Class 1.
Improper use and installation of forged wire rope clips can result in serious injury or death.
Forged wire rope clips are the only type of wire rope clip approved for lifting purposes.

